張家口的風,點亮北京的燈——海歸青年在綠色能源浪潮中顯身手
科技公司注冊經營范圍解析 從技術研發到市場應用的全方位指南
德業股份境外子公司設立完成,簽訂土地購買協議推動海外投資布局
神州數碼為子公司提供擔保的進展公告
強強聯手 GAN Systems與羅姆攜手推動氮化鎵功率器件普及之路
《Q/GDW 11179.1-2014 電能表用元器件技術規范 第1部分 電解電容器》解析及其在國網商城的應用
關于“測試”的思考
共話激光智造新未來——雙成激光受邀出席柏楚電子第七屆激光加工技術研討會
2021-2025年中國電力電子元器件行業調研及防御型戰略咨詢報告
宏微電力電子器件品牌簡介 專注于功率半導體領域的國產力量
DRV8814步進電機驅動芯片 全面解讀與采購指南
2021電動汽車電力電子技術發展及市場格局
電力載波通信專用防靜電器件 以Leiditech ESD保護方案為例
技術微課堂丨科普篇 電力電子——現代信息社會的隱形支柱
2020年第二季度SiC與GaN電力電子產品技術進展與市場動態
優派售后服務與拼接屏技術支持聯系方式
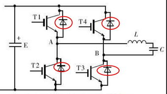
電力電子器件中電壓驅動型器件反并聯二極管的作用與原理
盛況 寬禁帶電力電子器件及裝備技術發展現狀與展望
EA2 6TNP型號IC 關鍵特性、數據資料與采購指南
國泰君安發布全市場首份生殖健康專題 生命之光照耀藍海市場,信息技術咨詢服務賦能新生態
如若轉載,請注明出處:http://www.jlbeidou.cn/product/list-2.html
電話:1589690**
地址:泰州市海陵區公園路41號天泰數碼市場內B區二樓B9089號
Copyright © 2026 www.jlbeidou.cn 信息技術咨詢服務電力電子元器件銷售 泰州市鼎煌信息技術有限公司 信息技術咨詢服務電力電子元器件銷售 版權所有 Sitemap